- 產品介紹
- 產品原理
- 產品特點
- 應用領域
- 技術參數
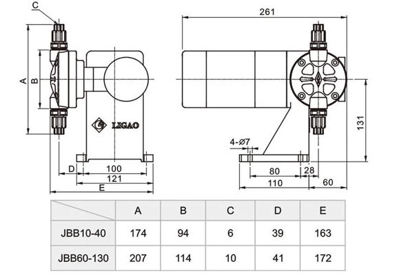
- 安裝尺寸
JBB型機械隔膜式計量泵,是由電機驅動,適用于低壓力場合的流體精確計量,滿足各類高粘度介質的輸送,因其具有很高的計量精度和穩定性能及極高的使用工求,而廣泛應用于污水處理,食品劑添加,各種特殊介質的輸送。
流量范圍:0-130 L/H
壓力范圍: 0-1.0MPA
電機功率: 60W,220V / 380V / 110V / 24V, 50/60Hz
驅動系統: 兩相、三相標準電機或防爆電機
防護等級: IP55, IP54
JBB型機械隔膜泵采用電機驅動,通過泵體內的膜片的張吸運作將介質送出,無動密封無泄漏,維修簡便,在無介質情況下也可以安全運轉;計量精度高,性能穩定,可通過泵上的旋鈕調節流量的大小,能更準確的根據實際工況調節,更智能化。
可根據客戶的使用介質選擇泵體材質和膜片材質,使用壽命更長,效率更高。
JBB系列精密計量泵機械隔膜式計量泵主要是往復式計量泵、按泵的缸數可分為單缸、雙缸、三缸等多種類型。該泵可廣泛用于石油、化工、紡織、食品、造紙、原子能技術、電廠、塑料、制藥、水廠、環保等工業和科技部門。用來向加壓或常壓容器及管道內精確定量輸送不含固體顆粒的液體。其流量可以開機(或定機)時從0-100%范圍內無級調節。(根據計量泵的特性,最少行程一般不小于總行程的10%)單缸泵適用于單一液體的場合;雙缸泵可作比例泵使用,也可并聯使用;三缸泵可作為三比例泵使用,也可三缸并聯,以達到較大排量,增高了液體的脈沖頻率,促使液體連續順暢加入;六缸泵可達三缸泵二倍效果。
該型泵可輸送溫度-30℃—100℃,粘度為0.3—800mm2/s不含固體顆粒等腐蝕性或非腐蝕性液體介質。
操作安全,機械驅動隔膜。
密封性好,無泄漏,裝配維修簡單安全。
它可以傳輸高粘度介質,腐蝕性液體和危險性的化學品。
流量調節能夠調節沖程長度或電機頻率。
隔膜為多層復合結構壓制而成,第一層超韌性Teflon耐酸薄膜,第二層EPDM彈性橡膠,第三層3.0mmSUS304支撐鐵芯,第四層采用強化尼龍纖維補,第五層采用EPDM彈性橡膠完全包履,可有效提出升隔膜適用壽命。
JBB型機械隔膜式計量泵廣泛應用于藥劑灌裝、包裝機械、石油化工、、電力、冶金、采礦、造船、輕工、農業、國防等工業。
|
型號 |
流量 (l/h) |
壓力(Mpa) |
行程(mm) |
沖次 (min-1) |
隔膜直徑 (mm) |
電機功率(W) |
進出口徑(DN) |
|
JBB15/1.0 |
15 |
1.0 |
3 |
75 |
60 |
60 |
6 |
|
JBB25/1.0 |
25 |
1.0 |
3 |
100 |
60 |
6 |
|
JBB40/0.8 |
40 |
0.8 |
4 |
120 |
60 |
6 |
|
JBB60/0.6 |
60 |
0.6 |
4 |
100 |
84 |
10 |
|
JBB85/0.5 |
85 |
0.5 |
5 |
100 |
84 |
10 |
|
JBB100/0.4 |
100 |
0.4 |
5 |
120 |
84 |
10 |
|
JBB130/0.4 |
130 |
0.4 |
5 |
150 |
84 |
10 |

JBB型隔膜式計量泵|故障原因分析及排除方法
|
序
號 |
故障特征 |
故 障 原 因 |
排 除 方 法 |
|
1 |
完全不排液 |
1. 吸入高度太高
2. 吸入管道阻塞
3. 吸入管道漏氣 |
1. 降低安裝高度
2. 清洗疏通吸入管道
3. 壓緊或更換密封墊片 |
|
2 |
排液量不夠 |
1. 吸入管道局部阻塞
2. 吸入或排出閥內有異物卡阻
3. 泵閥磨損關閉不嚴
4. 轉速不足 |
1. 疏通吸入管道
2. 清洗吸排閥
3. 修理或更換閥件
4. 檢查電機和電壓 |
|
3 |
排出壓力不穩定 |
1. 吸入或排出閥內有雜物卡阻或漏氣
2. 管道未設置背壓閥 |
1. 清除吸、排閥內的雜質
擰緊螺絲消除漏氣
2. 增設背壓閥 |
|
4 |
計量精度不夠 |
1. 柱塞密封填料漏液
2. 吸入或排出閥磨損
3. 電機轉速不穩定
4. 調節手輪移位 |
1. 調整或更換密封填料
2. 更換吸排閥
3. 穩定電源頻率和電壓
4. 校準并固定 |
|
5 |
運轉中有沖擊聲 |
1. 轉動零件松動或嚴重磨損
2. 吸入高度過高
3. 吸入管道漏氣
4. 介質中有空氣
5. 吸入管徑太少
6. 排出壓力過高 |
1. 擰緊有關螺絲或更換新零件
2. 降低安裝高度
3. 壓緊吸入法蘭或螺母
4. 排除介質中的空氣
5. 增大吸入管徑
6. 降低壓力 |