- 產品介紹
- 產品原理
- 產品特點
- 應用領域
- 技術參數
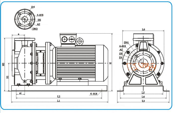
- 安裝尺寸
ZS型不銹鋼臥式單級離心泵采用不銹鋼板沖壓脹型焊接等先進工藝制成,是國內首創的新一代離心泵,可替代傳統的IS泵和一般的耐腐蝕泵。其具有外形美觀、結構輕巧、高效節能、經久耐用和耐輕腐蝕、低噪音等特點。
ZS型不銹鋼臥式單級離心泵,泵體采用不銹鋼板沖壓脹形焊接工藝制成,可替代傳統的IS泵和一般的耐腐蝕泵,軸向入口和徑向出口。常用于輸送清潔、稀薄、非易燃易爆并不含有固體顆粒和纖維的液體;常溫型-15℃至+70℃、熱水型+70℃至+110℃、環境溫度最高+40℃;最高海拔1000米、系統最高壓力10bar


ZS型不銹鋼臥式單級離心泵是一種適應范圍較廣的多功能產品,可以輸送各種包括水或工業液體在內的不同介質,具有外形美觀、結構輕巧、高效節能、經久耐用和耐輕腐蝕、低噪音等特點。
ZS型不銹鋼臥式單級離心泵為泵軸直聯型聯結,由泵、泵軸和標準電機組成:
1)泵應安裝在通風且防冰凍的地方;
2)泵的安裝要保證在使用時泵不受系統管路的張力影響;
3)如果泵安裝在戶外,必須配置合適的外罩以防止電氣元件進水或凝露;
4)為了方便于檢查和維修,在機組的周圍應必須留有足夠的空間;
5)電氣接線裝置應保證泵不受缺相、電壓不穩、漏電和過載的損害;
6)泵應水平安裝在基座上,水平方向為泵的吸入口,垂直方向為泵的排出口。
ZS型不銹鋼臥式單級離心泵是一種適應范圍較廣的多功能產品,可以輸送各種包括水或工業液體在內的不同介質,適用于不同溫度、流量和壓力范圍。其典型應用主要包括以下方面:
供水:水廠過濾、輸送及分區送水和主管增壓;
工業增壓:流程水系統、清洗系統;
工業液體輸送:鍋爐給水、冷凝系統、冷卻和空調系統、機床配套、酸堿輸送;
水處理:蒸餾系統或分離器、游泳池等;
農田灌溉、石油化工、醫藥衛生等。
|
型號 |
揚程(m) |
流量(m3/h) |
電機功率(KW) |
轉速(r/min) |
|
ZS50-32-160/1.1 |
18 |
6.3 |
1.1 |
2900 |
|
ZS50-32-160/1.5 |
20 |
12.5 |
1.5 |
2900 |
|
ZS50-32-160/2.2 |
25 |
12.5 |
2.2 |
2900 |
|
ZS50-32-200/3.0 |
32 |
12.5 |
3 |
2900 |
|
ZS50-32-200/4.0 |
42 |
12.5 |
4 |
2900 |
|
ZS50-32-200/5.5 |
54 |
12.5 |
5.5 |
2900 |
|
ZS65-40-125/1.5 |
13 |
25 |
1.5 |
2900 |
|
ZS65-40-125/2.2 |
18 |
25 |
2.2 |
2900 |
|
ZS65-40-125/3.0 |
24 |
25 |
3 |
2900 |
|
ZS65-40-160/4.0 |
28 |
25 |
4 |
2900 |
|
ZS65-40-200/5.5 |
36 |
25 |
5.5 |
2900 |
|
ZS65-40-200/7.5 |
46 |
25 |
7.5 |
2900 |
|
ZS65-40-200/11.0 |
62 |
25 |
11 |
2950 |
|
ZS65-50-125/3.0 |
13 |
50 |
3 |
2900 |
|
ZS65-50-125/4.0 |
18 |
50 |
4 |
2900 |
|
ZS65-50-160/5.5 |
25 |
50 |
5.5 |
2900 |
|
ZS65-50-200/7.5 |
32 |
50 |
7.5 |
2900 |
|
ZS65-50-200/9.2 |
40 |
50 |
9.2 |
2900 |
|
ZS65-50-200/11.0 |
48 |
50 |
11 |
2950 |
|
ZS65-50-200/15.0 |
58 |
50 |
15 |
2950 |
|
ZS65-50-200/18.5 |
68 |
50 |
18.5 |
2950 |
|
ZS80-65-125/5.5 |
13 |
100 |
5.5 |
2900 |
|
ZS80-65-125/7.5 |
18 |
100 |
7.5 |
2900 |
|
ZS80-65-125/9.2 |
23 |
100 |
9.2 |
2900 |
|
ZS80-65-160/11.0 |
27 |
100 |
11 |
2950 |
|
ZS80-65-160/15.0 |
36 |
100 |
15 |
2950 |
|
ZS80-65-200/18.5 |
45 |
100 |
18.5 |
2950 |
|
ZS80-65-200/22.0 |
53 |
100 |
22 |
2950 |
|
ZS80-65-200/30.0 |
66 |
100 |
30 |
2950 |
|
ZS100-80-160/11.0 |
15 |
160 |
11 |
2950 |
|
ZS100-80-160/15.0 |
22 |
160 |
15 |
2950 |
|
ZS100-80-160/18.5 |
28 |
160 |
18.5 |
2950 |
|
ZS100-80-200/22.0 |
33 |
160 |
22 |
2950 |
|
ZS100-80-200/30.0 |
45 |
160 |
30 |
2950 |
|
ZS100-80-200/37.0 |
54 |
160 |
37 |
2950 |

