產品分類

FZB型氟塑料自吸泵
應用領域:
食品、制藥、日化、化工、建筑等。
獲取技術支持及詳細說明書:
Q Q:1972225598
MAIL:soqocn@sohu.com
電 話:021-62882166
全國免費電話:
400-000-3927
- 產品介紹
- 產品原理
- 產品特點
- 應用領域
- 技術參數
- 安裝尺寸
FZB系列氟塑料自吸泵是按國際標準并結合非金屬泵的工藝設計制造。泵體采用金屬外殼內襯氟塑料,過流部件全部采用氟塑料合金制造,泵蓋、葉輪等均用金屬嵌件外包氟塑料整體燒結壓制而成,軸封采用外裝式先進的波紋管機械密封,靜環選用99.9%氧化鋁陶瓷(或氮化硅),動環采用四氟填充材料,其耐腐耐磨密封性極好。泵的進出口均采用鑄鋼體加固,以增強了泵的耐壓性。實際使用顯示,該泵具有耐腐、耐磨、耐高溫、不老化、機械強度高、運轉平穩、結構先進合理、密封性能嚴格可靠、拆卸檢修方便、使用壽命長等優點。
FZB氟塑料自吸泵主要由儲液室、渦室、回流孔、葉輪、泵蓋組成,開機前泵腔內應注滿液體,儲液室氣液在葉輪的高速帶動下將氣液混合物吸進渦室加壓進入氣液分離室,此時,空氣比重小于液體,便自然進入管網,液體則自動從回流孔回流與儲液室空氣再次混合,被葉輪循環加壓進入氣液分離室......此過程反復直至吸程管路中的空氣被排盡;介質被輸送到工況所需要的任意場所。
,
FZB系列氟塑料自吸泵是按國際標準并結合非金屬泵的工藝設計制造。泵體采用金屬外殼內襯氟塑料,過流部件全部采用氟塑料合金制造,泵蓋、葉輪等均用金屬嵌件外包氟塑料整體燒結壓制而成,軸封采用外裝式先進的波紋管機械密封,靜環選用99.9%氧化鋁陶瓷(或氮化硅),動環采用四氟填充材料,其耐腐耐磨密封性極好。泵的進出口均采用鑄鋼體加固,以增強了泵的耐壓性。實際使用顯示,該泵具有耐腐、耐磨、耐高溫、不老化、機械強度高、運轉平穩、結構先進合理、密封性能嚴格可靠、拆卸檢修方便、使用壽命長等優點。
FZB氟塑料自吸泵可用于儲存液體的容器低于地平面1-4米,不便倒灌和加液的場合;使用該泵固定在地平面崗位上可連續或間斷抽取、輸送各類化工介質。車輛、船舶裝卸化工介質時。自吸泵可流動在任何崗位抽取輸送滿足你的要求。
FZB氟塑料自吸泵 可以安全的輸送強酸、強堿、劇毒、有機溶劑、及純凈貴重的化學介質,充分滿足嚴格的安全性、可靠性和生態環保要求。適用于各種化工流程;一次安裝后無須灌引水,裝底閥、維修方便是替代笨重液下泵的最理想選擇用泵!
|
型 號 |
流 量
(m³/h) |
揚 程
(m) |
進口x出口
(mm) |
電機功率
(Kw) |
自吸高度
(m) |
轉 速
(r/min) |
|
25FZB-15L |
3 |
15 |
25 |
25 |
2.2 |
2 |
2900 |
|
25FZB-20L |
3.6 |
20 |
25 |
25 |
2.2 |
2 |
2900 |
|
40FZB-20 |
8 |
20 |
40 |
50 |
3 |
3 |
2900 |
|
40FZB-20L |
8 |
30 |
40 |
50 |
4 |
3 |
2900 |
|
40FZB-30L |
8 |
30 |
40 |
50 |
4 |
3 |
2900 |
|
50FZB-20 |
12 |
20 |
50 |
50 |
3 |
3 |
2900 |
|
50FZB-20L |
12 |
20 |
50 |
50 |
4 |
3 |
2900 |
|
50FZB-30L |
12 |
30 |
50 |
50 |
4 |
3 |
2900 |
|
50FZB-50L |
12 |
45 |
50 |
32 |
7.5 |
3 |
2900 |
|
50FZB-70L |
12 |
70 |
50 |
32 |
15 |
3 |
2900 |
|
65FZB-25L |
25 |
25 |
65 |
50 |
5.5 |
3 |
2900 |
|
65FZB-30L |
25 |
30 |
65 |
50 |
7.5 |
3 |
2900 |
|
65FZB-45L |
25 |
45 |
65 |
40 |
11 |
3 |
2900 |
|
80FZB-30L |
50 |
30 |
80 |
65 |
11 |
3 |
2900 |
|
80FZB-45L |
50 |
45 |
80 |
65 |
15 |
3 |
2900 |
|
80FZB-70L |
50 |
70 |
80 |
50 |
30 |
3 |
2900 |
|
100FZB-20L |
100 |
20 |
100 |
80 |
18.5 |
3 |
2900 |
|
100FZB-30L |
100 |
30 |
100 |
80 |
18.5 |
3 |
2900 |
|
100FZB-45L |
100 |
45 |
100 |
80 |
30 |
3 |
2900 |

|
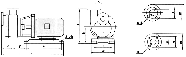
系列 |
型 號 |
外型及安裝尺寸 |
進口法蘭尺寸 |
出口法蘭尺寸 |
|
L |
S |
P |
f |
W |
T |
H |
h |
x |
k |
i |
j |
m |
n-d |
e |
g |
n |
4-t |
|
短支架 |
32FZB-15 |
450 |
100 |
160 |
80 |
180 |
140 |
230 |
90 |
55 |
10 |
32 |
90 |
120 |
4-11 |
32 |
90 |
120 |
4-11 |
|
40FZB-20 |
590 |
310 |
160 |
110 |
220 |
170 |
305 |
140 |
65 |
12 |
40 |
100 |
130 |
4-13 |
40 |
100 |
130 |
4-13 |
|
40FZB-30 |
590 |
310 |
160 |
110 |
220 |
170 |
305 |
140 |
80 |
12 |
40 |
100 |
130 |
4-13 |
40 |
100 |
130 |
4-13 |
|
50FZB-20 |
590 |
310 |
160 |
110 |
220 |
170 |
305 |
140 |
65 |
12 |
50 |
100 |
130 |
4-13 |
50 |
100 |
130 |
4-13 |
|
50FZB-30 |
590 |
310 |
160 |
110 |
220 |
170 |
305 |
140 |
80 |
12 |
50 |
100 |
130 |
4-13 |
50 |
100 |
130 |
4-13 |

|
系列 |
型 號 |
外型及安裝尺寸 |
進口法蘭尺寸 |
出口法蘭尺寸 |
|
L |
S |
P |
f |
W |
T |
H |
h |
x |
k |
i |
j |
m |
n-d |
e |
g |
n |
n-t |
|
長支架 |
65FZB-20L |
1100 |
600 |
250 |
180 |
390 |
350 |
440 |
212 |
80 |
20 |
65 |
145 |
185 |
4-18 |
50 |
125 |
165 |
4-18 |
|
65FZB-30L |
1200 |
660 |
300 |
200 |
450 |
400 |
480 |
232 |
100 |
24 |
65 |
145 |
185 |
4-18 |
50 |
125 |
165 |
4-48 |
|
80FZB-20L |
1200 |
660 |
300 |
200 |
450 |
400 |
480 |
232 |
100 |
24 |
80 |
160 |
200 |
8-18 |
65 |
145 |
185 |
4-18 |
|
80FZB-30L |
1240 |
740 |
330 |
210 |
500 |
450 |
520 |
260 |
110 |
24 |
80 |
160 |
200 |
8-18 |
65 |
145 |
185 |
4-18 |